
Podkładki żebrowe wykorzystywane są w klasycznym mocowaniu szyn kolejowych na podkładach różnego typu.

Podkładki PM 49 służą do mocowania szyn 49 E1 do podkładów drewnianych z użyciem mocowania klasycznego typu "K".

Podkładki PM 60 służą do mocowania szyny 60 E1 do podkładów drewnianych z użyciem mocowania klasycznego typu "K".

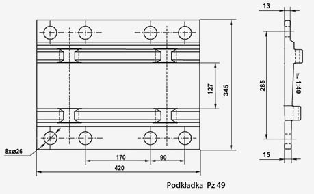
Podkładki PZ 49 służą do mocowania szyny 49 E1 do podkładów drewnianych na złączach podpartych z użyciem mocowania klasycznego typu "K".

Podkładki Bl 3 służą do mocowania szyn 49 E1 do podkładów strunonobetonowych INBK 3,4,8 z użyciem mocowania klasycznego typu "K". Podkładki te mogą być stosowane również do budowy torów suwnicowych.

Podkładki Ps 49 służą do mocowania szyn 49 E1 do podkładów strunobetonowych INBK 7 z użyciem mocowania klasycznego typu "K".

Podkłądki Pżb 16 są elementami zabudowy rozjazdów kolejowych z szyn 49 E1 jak również mogą być stosowane przy budowie torów suwnicowych.

Podkładki PT 180 służą do mocowania szyn tramwajowych 60 R2 do podkładów drewnianych jak również strunobetonowych z użyciem mocowania klasycznego typu "K".

